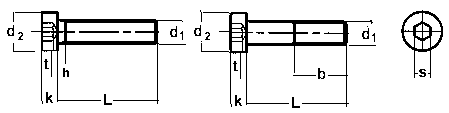
Technical data of DIN 7984
values in mm

DIN 7984
DIN 7984 (NEN 1601) Hexagon socket head cap screw with reduced height of head

1) Screws are fully threaded for lengths up to and including specified L, then also h max applies.
[ Home | Enquiry/Order | Technical Information | News | Price Lists | Contact us | Newsletter | Sales conditions ]